13805232644
.jpg)
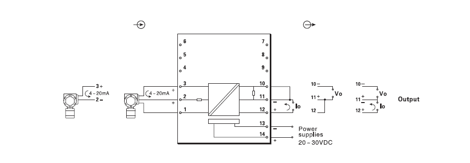
CML2020D 電流信号(hào)輸入配電隔離(li)器(一入一出)
CML2020D 配(pèi)電隔離器是向(xiang)現場的變送器(qi)提供隔離的電(diàn)源電壓,并将變(bian)送器産生的 4~20mA信(xìn)号經本隔離器(qi)轉換成所需👄的(de)直💚流信号至控(kong)制系統或其它(ta)智能儀表。LDG8041電流(liú)信号輸入配電(dian)隔離器需要獨(dú)立供電,供電電(diàn)源-輸入回路-輸(shū)出回路之間電(dian)磁隔離。 一、CML2020D 配電(diàn)隔離器🔆特性: 1、給(gei)變送器提供驅(qū)動電壓16.5~28V; 2、将變送(sòng)🔴器4~20mA信号隔離傳(chuan)送,其它所需的(de)直流信号; 3、模💞塊(kuai)化表芯設計,無(wu)需零點和滿度(dù)調節; 4、單通道,一(yī)路輸入一路輸(shū)出,輸入回路短(duǎn)路保護; 5、帶有工(gōng)作電源指示燈(deng);
| ? |
|
·
•›·
•