13805232644
|
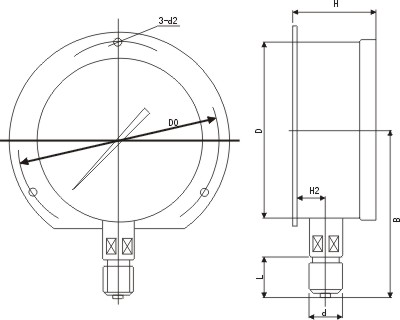
型号 |
結構形式(shì) |
% |
測量上(shàng)限MPa |
|
YTN-60 |
|
|
0~0.1;0~0.16;0~~0.6;0~1.0; |
|
YTN-100 |
徑向軸(zhou)向帶邊 |
0~0.1;0~0.25;0~~0.6;0~1.0; |
|
|
YTN-150 |
徑(jing)向 |
~0.1;0~0.16;0~0.25;0~0.4;0.0~~1.0; |

.jpg)
















